訓練家的相簿


The legend of trainer's photos


相簿總覽 

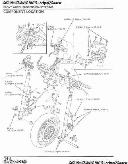
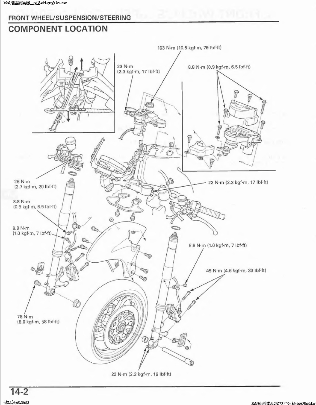
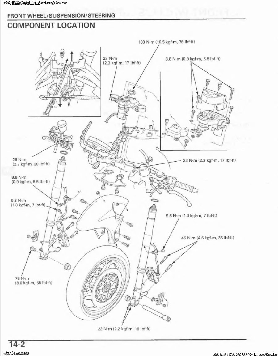
訓練家的相簿系統->2023.06.05CBR1000RR更換珠碗-安裝 【合計:138】
內容說明:2023.06.02CBR1000RR更換珠碗 瀏覽人數: 952


 

上一張


  




【第137張】
 

下一張



縮圖專用網址: https://www.3wa.tw/photo/small.php?w_size=450&compassion=60&file_name=users/shadow/1685990360_1.png 複製   檢視
放大細緻輸出網址: https://www.3wa.tw/photo/small.php?w_size=1024&compassion=90&file_name=users/shadow/1685990360_1.png 複製   檢視

上傳者: 羽山
上傳日期: 2023年06月06
上傳時間: 02:39:20